Butt Welding Fittings 1 페이지

삼양금속공업(주)

제품정보
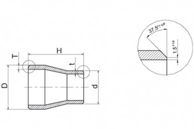
제품정보 Butt Welding Fittings

Butt Welding Fittings

Total 28건 1 페이지

검색