페이지 정보

본문
| Product | Butt Welding Fittings |
|---|---|
| Category | ECC. Reducer |
| Name | [ASTM UNS C70600] Butt Welding Type Con Reducer For Cu-Ni Pipe |
| Materials | ASTM UNS C70600 |
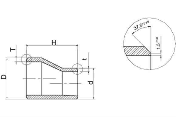
제품설명
- Unit : mm
| Pipe | Dimension | Remark | ||||||
|---|---|---|---|---|---|---|---|---|
| N/D | D | d | T | t | H | |||
| S/10S | S/40S | S/10S | S/40S | |||||
| 3"X2" | 88.9 | 60.3 | 3.05 | 5.49 | 2.77 | 3.91 | 89 | SEAMLESS |
| 4"X2" | 114.3 | 60.3 | 3.05 | 6.02 | 2.77 | 3.91 | 102 | SEAMLESS |
| 4"X3" | 114.3 | 88.9 | 3.05 | 6.02 | 3.05 | 5.49 | 102 | SEAMLESS |
| 6"X2" | 168.3 | 60.3 | 3.40 | 7.11 | 2.77 | 3.91 | 140 | SEAMLESS |
| 6"X3" | 168.3 | 88.9 | 3.40 | 7.11 | 3.05 | 5.49 | 140 | SEAMLESS |
| 6"X4" | 168.3 | 114.3 | 3.40 | 7.11 | 3.05 | 6.02 | 140 | SEAMLESS |
| 8"X4" | 219.1 | 114.3 | 3.76 | 8.18 | 3.05 | 6.02 | 152 | SEAMLESS |
| 8"X6" | 219.1 | 168.3 | 3.76 | 8.18 | 3.40 | 7.11 | 152 | SEAMLESS |
| 10"X4" | 273.0 | 114.3 | 4.19 | 9.27 | 3.05 | 6.02 | 178 | SEAMLESS |
| 10"X6" | 273.0 | 168.3 | 4.19 | 9.27 | 3.40 | 7.11 | 178 | SEAMLESS |
| 10"X8" | 273.0 | 219.1 | 4.19 | 9.27 | 3.76 | 8.18 | 178 | SEAMLESS |
| 12"X6" | 323.8 | 168.3 | 4.57 | 9.52 | 3.40 | 7.11 | 203 | SEAMLESS |
| 12"X8" | 323.8 | 219.1 | 4.57 | 9.52 | 3.76 | 8.18 | 203 | SEAMLESS |
| 12"X10" | 323.8 | 273.0 | 4.57 | 9.52 | 4.19 | 9.27 | 203 | SEAMLESS |
2. Process : Cold Forming
3. Heat Treatment : Annealing After Cold Forming
4. Temp & Hold Time : 750℃±50℃, 30Min / Inch(THK)




